All Products

All Products

Product series name (such as deep groove ball bearing)
Product model (e.g., 6205)
Search for suffix (e.g., 2Z)
Search for an exact match phrase (e.g., "MVB")
Products
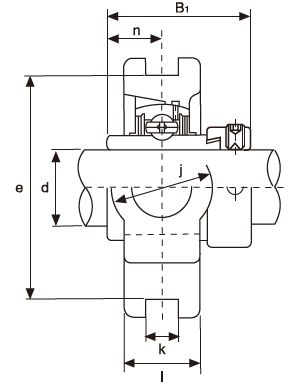
The Position : Home > Products > Mounted Bearing Units > Cast Iron Bearing Units > HCT200-Inch Size
Parameter
MVBBearingUnitNo.
HCT205-16
d(in.)
1
o(in.)
5/8
g(in.)
13/32
p(in.)
2
q(in.)
1 1/4
s(in.)
3/4
b(in.)
2
k(in.)
15/32
e(in.)
2 63/64
a(in.)
3 1/2
w(in.)
3 13/16
i(in.)
1 1/4
I(in.)
15/16
h(in.)
2 7/16
Bi(in.)
1.748
n(in.)
1.689
Bearing No.
HC205-16
Housing No.
T205
Weight(Ibs.)
2
Power-Star Bearings
MVB Xiamen Power-Star Bearing Industry Co., Ltd. is among the top manufacturers and exporters of various bearings and power transmissions in China.With extensive experience, comprehensive technical resources and an effective quality control system, we consistently emphasize high-quality and circumspect service. We are devoted to technology and management innovation so as to meet different customers' demands and give you the best bearing and power transmission solutions.